聯系我們Contact Us

電 話 :0577-62711310
傳 真 :0577-62711377
郵 編 :325604
E-mail:13356192265@qq.com
|
產品簡介
一、適用范圍
DZ47SD-63系列小型雙電源斷路器是我公司自主研發的一款帶聯鎖機構的新型斷路器,本產品在原有DZ47-63小型斷路器的基礎上增加了聯鎖功能,即在一邊斷路器合閘的情況下另一邊斷路器只能保持斷開狀態,實現線路切換等保護功能。我公司自主開發的雙電源斷路器具有過載、短路保護和線路轉換,雙重功能,該產品設計合理、可靠、外型美觀輕巧,主要用于切換及其它控制線路的過載、短路保護等作用。
DZ47SD-63雙電源斷路器產品符合GB10963和IEC60898標準。
二、型號及其規格

三、結構特點
DZ47SD-63雙電源斷路器由外殼、操作機構、熱脫扣器、電磁脫扣器觸頭系統、滅弧系統等組成,具有過載和短路保護功能,設計獨特的結構使產品具有6KA的短路能力,機械壽命20000次以上。安裝導軌為TH35-7.5型標準鋼安裝軌,并具有以下特點:增加了聯鎖功能,即在一邊斷路器合閘的情況下另一邊斷路器只能保持斷開狀態,實現線路切換等保護功能,操作時手感舒適,電源上進下出,符合電源進線特點,安裝方便。DZ47SD-63雙電源斷路器分為1P+1P,1P斷路器;2P+2P,2P斷路器;3P+3P,3P斷路器;4P+4P,4P斷路器;
四、主要技術參數
| 型號 | 額定電流(A) | 極數 | 電壓(V) | 額定短路分斷能力 |
| C型 | 1、3、5、10、16、20、25、32、40 | 1、2 | 230/400 | 6000 |
| 2、3、4 | 400 | 6000 | ||
| 50、63 | 1、2 | 230/400 | 4500 | |
| 2、3、4 | 400 | 4500 | ||
| D型 | 1、3、5、10、16、20、25、32、40、50、63 | 1、2 | 230/400 | 4500 |
| 2、3、4 | 400 | 4500 |
| 序號 | 型號規格 | 起始狀態 | 試驗電流 | 試驗時間 | 預期結果 | 備注 |
| 1 | 所有值 | 冷態 | 1.13ln | t≥1h | 不脫扣 | |
| 2 | 所有值 | 緊接著1項試驗 | 1.45ln | t<1h | 脫扣 | 電流在5s內上升至規定值 |
| 3 | In≤32 | 冷態 | 2.55ln | 1s<t<60s | 脫扣 | |
| In>32 | 1s<t<120s | |||||
| 4 | B型 | 冷態 | 3ln | t≥0.1s | 不脫扣 | 閉合輔助開頭接通電源 |
| C型 | 5ln | |||||
| D型 | 7ln | |||||
| 5 | B型 | 冷態 | 5ln | t<0.1s | 脫扣 | 閉合輔助開頭接通電源 |
| C型 | 10ln | |||||
| D型 | 14ln |
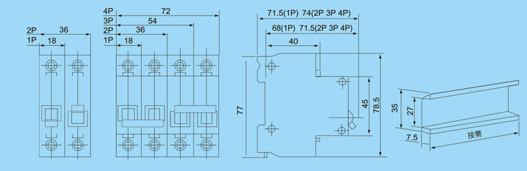
五、外形和安裝尺寸

六、訂貨須知
訂貨時要標明下列各點:產品型號和名稱:如DZ47SD-63雙電源斷路器
額定電流:40A。
極數:1P
訂貨數量:如8562只。
訂貨舉例:DZ47SD-63雙電源斷路器,5A,4P,1000只。
浙江泰西智能科技有限公司








