聯系我們Contact Us
地 址 :
浙江省樂清市柳市鎮尚宅工業區
銷 售 :13356192265(徐) 
電 話 :0577-62711310
傳 真 :0577-62711377
郵 編 :325604
E-mail:13356192265@qq.com
MSN :
網 址 :www.bjl777.cc
![]() |
產品簡介
概述TXCPS即“控制與保護開關電器CPS”是低壓電器中的新型產品,是我國九十年代最新研發的填補國內空白的第一代大類產品,作為新的大類產品,其產品類別代號為“KB0”,是英文“Confrol and Protective Switching Device”的縮寫,其符合的標準為IEC60947-6-2(1997)《低壓開關設備和控制設備第6部分:多功能電器第2節:控制與保護開關電器CPS》(1992年8月第一版)和GB14048.9-1998《低壓開關設備和控制設備多功能電器(設備)第2部分:控制與保護開關電器CPS(設備)》(等同采用IEC60947-6-2)。
IEC標準和國家標準規定的代號及電氣符號如左圖所示。
TXCPS(KBO)控制與保護開關電器CPS的主要特征是在單一結構形式的產品上實現集成化的、內部協調配合的控制與保護功能。能夠替代斷路器(熔斷器)、接觸器、過載(或過流、斷相)保護繼電器、起動器、隔離器、電機綜合保護器等多種傳統的分離元器件。 KB0具有遠距離自動控制與就地人力控制兼有的方式進行控制操作的功能,具有協調配合的時間-電流保護特l生,具有控制與保護自配合、短路后連續運行。具有分斷能力高,飛弧距離小、壽命長,具有保護整定電流均可調的特性。操作方便、配套附件模塊多樣齊全等優點,可以實現對電動機負載、配電負載的控制和保護。
TXCPS(KBO)控制與保護開關電器CPS的出現從根本上解決了傳統的采用分立元器件(通常是斷路器或熔斷器+接觸器+過載繼電器)由于選擇不合理而引起的控制和保護配合不合理的種種問題,特別是克服了由于采用不同考核標準的電器產品之間組合在一起時,保護特性與控制特性配合不協調的現象,極大地提高了控制與保護系統的運行可靠性和連續運行性能。
TXCPS(KBO)控制與保護開關電器CPS第一代產品體積比較大,保護采用的雙金屬片技術。第二代產品的盡管解決了體積大的問題。但保護技術沒有什么大的突破。隨著微電子技術在低壓電器行業的應用日益擴大和加深,本公司瞄準這一契機,以最新的微電子技術為基礎,走高端產品設計之路,在KB0系列產品的基礎上,投巨資開發具有國際先進水平的產品TXKB0(KBO)控制與保護開關電器CPS。克服KB0系列產品的缺點,匯集了低壓電器分立元件的優點,功能齊全,性能可靠。為低壓配電和控制系統的簡化及優化提供了一種基礎元件。TXKB0(KBO)控制與保護開關電器CPS是KB0的最佳升級換代產品。
型號及其含義

● 基本型的完整構成及型號應包括:主體型號+主體脫扣器額定電流及分斷能力等級、智能脫扣器、產品功能、控制電源。
D001-03
說明:
● TXKB0經濟型控制與保開關電器的基本配置:主體+數字化控制器+輔助觸頭組。
● 主體由主電路基本模塊即:觸頭系統模塊、短路脫扣器、電磁系統模塊以及操作機構模塊組成。
● 輔助觸頭組由短路報警觸頭、過載報警觸頭以及一組常開常閉輔助觸頭構成,如02為2常開1常閉+1短路1過載; 06為4常開2常閉+1短路1過載;09為2常開1常閉。
● 數字化控制器額定電流Ie:1~125A
● 主體額定電流In:12A、16A、18A、32A、45A、63A、100A、125A。
● 極數:用二位數字表示(前一位數字表示產品極數、后一位數字表示保護極數),如33表示3級帶3極保護、30表示3極不帶保護、43表示4級帶3保護。
● 控制電源電壓:M:220V、Q:380V。
功能與用途
TXCPS采用模塊化的單一產品結構型式,集成了傳統的斷路器(熔斷器)、接觸器、過載(或過流、斷相)保護繼電器、起動器、隔離器、電機綜合保護器等低壓電器產品的主要功能,具有遠距離自動控制和就地直接人力控制功能,具有面板指示及機電信號報警功能,具有過壓欠壓保護功能,具有斷相缺相保護功能,具有欠流欠功率功能,具有協調配合的時間-電流保護特性(具有過載反時限、定時限、短路瞬時、特大短路瞬時四段保護特性)。根據需要選配功能模塊或附件,即可實現對各類電動機負載、配電負載的控制與保護。
TXKB0主要用于交流50Hz(60Hz)、額定電壓至690V、主體額定電流自6.3A至125A、智能控制器可調工作電流自0.16A至125A、控制電機功率自0.05KW至55KW的電力系統中接通、承載和分斷正常條件(包括規定的過載條件)下的電流,且能夠接通、承載并分斷規定的非正常條件(如短路)下的電流。
適用領域
TXCPS(KBO)產品具有控制與保護功能集成化,結構模塊化、小型化,對環境污染的防護等級高,分斷短路電流能力高,飛弧距離短,壽命長,保護功能齊全,連續運行性能和可靠性高,安裝使用及維修操作方便等一系列優點,在工業設施、基礎設施、消防系統以及商業和民用設施中得到廣泛的應用:
● 冶金、煤礦、鋼鐵、石化、港口、船舶、鐵路等領域的配電和電動機保護與控制系統;
● 電動機控制中心(MMC)及配電中心;
● 電力站及變電站;
● 港口和鐵路系統(如航空港、鐵路公路客運中心等);
● 高速公路照明、通風系統;
● 軍隊駐地控制保護系統(如邊防哨所、雷達機站等);
● 各種場合的消防泵、風機等;
● 現代化的建筑照明、電源轉換、泵、風機、空調、消防、照明等
● 醫院;
● 商業大樓(如大型購物中心、超級市場等);
● 電信通訊機房;
● 信息處理中心(如市政、銀行、證券交易中心等);
● 工廠或車間的單電機控制與保護系統;
● 遠程控制照明系統。
主電路的基本參數

殼架電流lnm | 主體額定電流 | 智能控制器額定 | 短延時電流 | 長延時電流 | 380□□控制 | 使用類別 |
工作電流 | 整定范圍 | 整定范圍 | 功率范圍 | |||
63 | 12 | 0.4 | 0.48~4.8 | 0.16~0.4 | 0.05~0.12 | AC-42 |
16 | 1 | 1.2~1.2 | 0.4~1 | 0.12~0.33 | AC-43 | |
18 | 2.5 | 3~30 | 1~1.25 | 0.33~1 | AC-44 | |
32 | 4 | 4.8~48 | 1.6~4 | 0.33~1.6 | ||
45 | 6.3 | 7.5~75 | 2.5~6.3 | 1~2.5 | ||
63 | 12 | 14.4~144 | 4.8~12 | 2.2~5.5 | ||
16 | 19.2~192 | 6.4~16 | 2.5~7.5 | |||
18 | 21.6~216 | 7.2~18 | 3.0~7.5 | |||
25 | 30~300 | 10~25 | 5.5~11 | |||
32 | 38.4~384 | 12.8~32 | 5.5~15 | |||
40 | 48~480 | 16~40 | 7.5~18.5 | |||
45 | 54~540 | 18~45 | 7.5~22 | |||
125 | 16 | 50 | 60~600 | 20~50 | 7.5~22 | |
18 | 63 | 75.6~756 | 25.2~63 | 11~30 | ||
32 | 6.3 | 7.5~75 | 2.5~6.3 | 1~2.5 | ||
45 | 12 | 14.4~144 | 4.8~12 | 2.2~5.5 | ||
50 | 16 | 19.2~192 | 6.4~16 | 2.5~7.5 | ||
63 | 18 | 21.6~216 | 7.2~18 | 3.0~7.5 | ||
100 | 25 | 30~300 | 10~25 | 5.5~11 | ||
125 | 32 | 38.4~384 | 12.8~32 | 5.5~15 | ||
40 | 48~480 | 16~40 | 7.5~18.5 | |||
45 | 54~540 | 18~45 | 7.5~22 | |||
50 | 60~600 | 20~50 | 7.5~22 | |||
63 | 75.6~756 | 25.2~63 | 11~30 | |||
80 | 96~960 | 32~80 | 15~37 | |||
100 | 120~1200 | 40~100 | 18.5~45 | |||
125 | 150~1500 | 50~125 | 22~55 |
□產品的使用類別 使用類別代號及典型用途
電路 | 使用類別代號 | 典型用途 |
AC-20A | 在無載條件下閉合和斷開電路 | |
主電路 | AC-40 | 配電電路,包括混合的電阻性和由組合電抗器組成的電感性負載 |
輔助電路 | AC-41 | 無感或微感負載、電阻爐 |
AC-42 | 滑環型電動機:起動、分斷 | |
AC-43 | 籠型感應電動機:起動、運轉中分斷 | |
AC-44 | 籠型感應電動機:起動、反接制動或反向運轉;點動 | |
AC-45a | 放電燈的通斷 | |
AC-45b | 白熾燈的通斷 | |
AC-15 | 控制交流電磁鐵負載 | |
AC-20A | 在無線條件下閉合和斷開電路 | |
AC-21A | 通斷電阻性負載,包括適當的過載 | |
DC-13 | 控制直流電磁鐵負載 | |
DC-20A | 在無線條件下閉合和斷開電路 | |
DC-21A | 通斷電阻性負載,包括適當的過載 |
三極基本型外形及安裝尺寸

訂貨須知
用記在訂貨時應寫明開關電器的產品型號、規格、短路脫扣器額定電流、電子脫扣器額定工作電流、負載性質、線圈控制電壓、接線方式等內容
輔助觸頭模塊
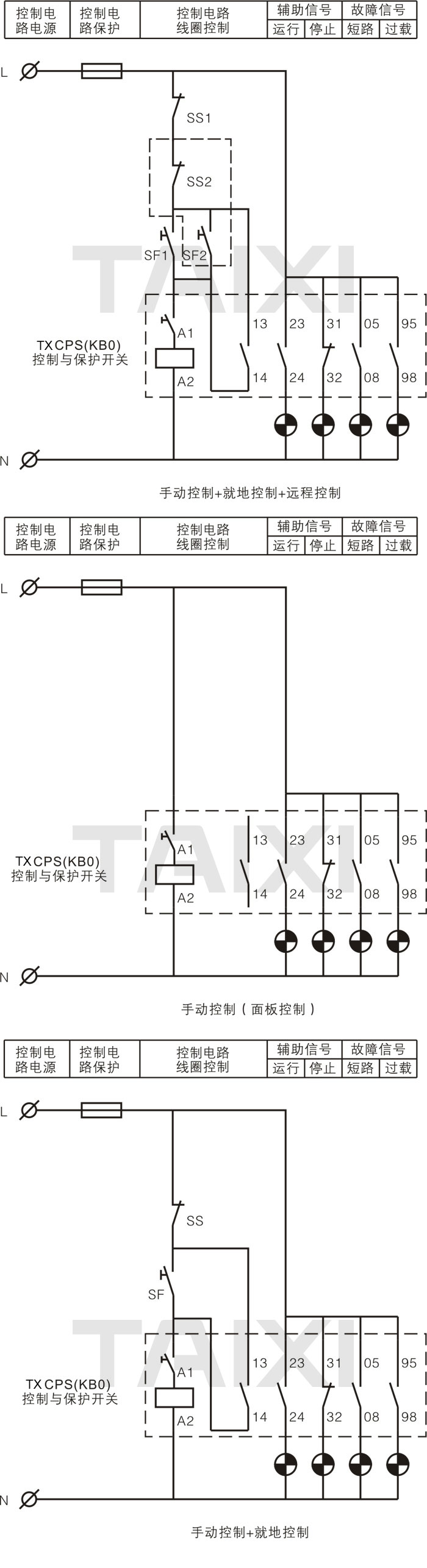
輔助觸頭基本參數見表十,輔助觸頭為電氣上分開的,即每組觸頭上可接不同的電壓;輔助觸頭的每對接線端子均用2位數標志,標志的個位數是功能數,1、2表示常閉觸頭,3、4表示常開觸頭;標志的十位數為序列數。屬于同一觸頭的接線端子用相同的序列數,且所有具有相同功能的觸頭用不同的序列數。其中95、98標志故障信號常開觸頭,05、08標志主體短路信號常開觸頭。當主電路發生過載(或過流過壓、斷相缺相等)故障時操作旋鈕處于TRlP,95、98故障報警信號閉合,主電路分斷;發生短路時操作旋鈕處于TRIP,05、08主體短路報警信號閉合,95、98故障報警信號亦閉合,主電路分斷。
輔助觸頭有機構無源觸頭及電氣無源二種,機械無源觸頭通過操作機構和電動傳動機構的動作來控制輔助觸點的通斷,適合用于自鎖或與其他產品互鎖,如常開觸點13-14;23-24;33-34;53-54和常閉觸點31-32;11-12;電氣無源觸頭通過數字化控制器來控制觸點的通斷,適合用于信號指示,如常開觸點63-64;41-44和常閉觸點41-42。

機械無源、隔離輔助觸頭
lth Ui | Ue | 額定控制容量 | 接通能力 | |||
(A) (V) | AC(V) | DC(V) | AC(VA) | DC(W) | AC(VA) | DC(W) |
6.3 690 | 48 | 24 | 300 | 120 | 1500 | 800 |
110/127 | 48 | 500 | 90 | 3500 | 700 | |
220/240 | 110 | 600 | 75 | 6000 | 400 | |
380 | 220 | 520 | 68 | 7500 | 260 | |
/ | 440 | / | 61 | / | 220 |
基本電氣控制圖
