聯系我們Contact Us

電 話 :0577-62711310
傳 真 :0577-62711377
郵 編 :325604
E-mail:13356192265@qq.com
|
產品簡介
一、適用范圍
DZ47S-63 IC卡控制預付費斷路器,具有智能分勵脫扣功能,適用于交流50Hz(或60Hz),額定工作電壓為230/400V,額定電流63A的線路中,對線路進行遠距離控制分斷或自動信號控制分斷,同時對線路起過載和短路保護作用,也可以作為線路的不頻繁操作轉換之用。目前,廣泛應用于IC卡預付費電度表配套使用來控制線路的通斷。DZ47S-63 IC卡控制預付費斷路器具有體積小、安裝方便等特點,對住宅付費的電表一個控制,當IC卡的充值余額不足的情況下控制斷路器會自動斷開,起到斷電的作用,等用戶繼續充值后合上即可。
IC卡控制預付費斷路器符合IEC60898、GB10963、GB14048.2標準,具有國際先進水平。
二、型號及其規格

三、結構特點
DZ47IC卡控制預付費斷路器由DZ47小型斷路器和智能模塊分勵脫扣器組裝而成。有瞬時脫扣和延時脫扣兩種方式。外殼采用阻燃型耐弧高強度新型塑料制成,故耐沖擊強度和阻燃性能良好。觸頭系統采用電動斥力機構,大大提高了斷路器的分斷能力,使其斷路器的功能更加完善可靠,L極具有電磁保護和熱保護功能,N極具有電磁保護功能,S極具有分勵脫扣功能。全自動繞線的分勵脫扣線圈經受3300V(1.2/50μs)電壓試驗,滿足CEI28-6的絕緣等級Ⅲ。分勵脫扣壽命超過4000次。
分勵脫扣線圈具有限流作用,確保線圈在分勵脫扣線路中所吸收的電流,在一個可靠的安全值以內,能有效預防實際使用過程中線圈燒毀現象。分勵脫扣裝置單獨設計成一極,抗干擾能力強,能有效預防分勵脫扣器在電磁干擾和熱干擾下的誤動作。
IC卡控制預付費斷路器是專為單相、三相四線IC卡電能表配套使用而設計的,它具有反時限過載保護和短路保護功能能接收IC卡電能表的信號切斷電路,防止用戶拖欠電費,已廣泛用于國家電網一戶一表改造工程中。
四、延時分勵脫扣動作特性
IC卡控制預付費斷路器的工作電壓為70%~110%范圍的任何值,使用時通過信號線給斷路器和智能分勵脫扣器極上施加控制電壓,即信號電壓(可由遠端控制線路或IC卡電度表提供)然后將斷路器手柄推向閉合位置合閘。當需要遠程控制(或IC卡電度表欠費時)可以通過控制系統斷開控制電壓,斷路器應能在0.5s≤t≤2s可靠分斷,同時斷路器還具備短路和過載功能。五、主要技術參數
| 額定電流 | 6A、10A、16A、20A、25A、32A、40A、50A、63A |
| 極數 | 1P+N / 3P+N |
| 額定工作電壓 | 1P+N 230V |
| 3P+N 400V | |
| 頻率 | 50Hz |
| 工作電壓范圍 | 65%~120% Un |
| 分斷能力 | 4500A |
| 脫扣曲線 | C |
| 延時動作時間(智能分勵脫扣時間) | 0.5s~2s |
| 復位時間 | <30s |
| 機械壽命 | 20000次 |
| 電氣壽命 | 10000次 |
| 限流等級 | 3 |
| 沖擊耐受電壓 | 6kV |
| 環境 | -25℃~70℃ |
| 接線 | 隧道式接線端子 |
| 安裝 | 上下鎖定夾,安裝更方便 |
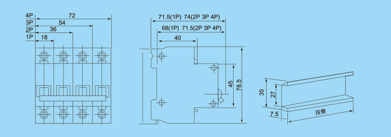
六、外形和安裝尺寸

七、訂貨須知
訂貨時要標明下列各點:
產品型號和名稱:如DZ47S-63IC卡控制預付費斷路器
額定電流:如63A。
訂貨數量:如563只。
訂貨舉例:DZ47S-63IC卡控制預付費斷路器,40A,630只。
浙江泰西智能科技有限公司








