聯系我們Contact Us

電 話 :0577-62711310
傳 真 :0577-62711377
郵 編 :325604
E-mail:13356192265@qq.com
|
產品簡介
一、適用范圍
DZ47LE-63系列漏電斷路器由DZ47高分斷小型斷路器和漏電脫扣器拼裝而成。該產品適用于交流50Hz,額定工作電壓230V~400V,額定電流至100A的線路中,主要由零序電流互感器、電子組件板、漏電斷路器及帶有過載短路保護功能、還可根據用戶的需要增加過壓,欠壓保護功能用來對人進行間接接觸保護,以及對建筑物及類似用途的線路進行過電流保護。也可對由于過電流保護裝置不動作而持續存在的接地故障引起的火災提供保護。帶過電壓保護的漏電斷路器還能對由于電網故障引起的電壓過高進行保護。DZ47LE漏電斷路器在低壓配電系統中已經越來越多地被采用作為接地故障和直接接觸、間接接觸電擊的后備保護。該產品主要用于建筑照明和配電系統的保護,符合GB16917.1和IEC61009-1標準的要求。我司已通過國家CCC、CE認證。
二、型號及其規格

三、結構特征
DZ47LE漏電斷路器是由漏電脫扣器附件和DZ47斷路器拼裝整合而成,因此保持了與DZ47相同的時間-電流動作特性,其機械裝配,即可由企業在工廠完成,也可在現場進行。漏電脫扣特性參數由工廠整定,用戶不可調整,也不能拆開漏電脫扣器,以免影響性能。漏電脫扣器有32A和50A兩種殼架等級電流,分別可接10mm2和25mm2導線。在漏電脫扣器上設有一個專門用來指示漏電動作的指示裝置,只有在指示裝置復位以后,漏電斷路器才能閉合。并配有帶自復式按鈕的試驗裝置,按下時內部線路產生一模擬剩余電流,使斷路器分斷。試驗裝置應定期試驗,每月一次。
四、正常工作條件和安裝條件
◆ 周圍空氣溫度負五攝氏度至四十攝氏度,二十四小時內平均不超過三十五攝氏度。◆ 海拔高度:安裝地點的海拔不超過2000m。
◆ 大氣條件:安裝地點的空氣相對濕度在最高溫度四十攝氏度時不超過百分之五十,在較低溫度下允許有較大的相對濕度;例如二十五攝氏度時達到百分之九十。
◆ 安裝類別:II、III級。
◆ 污染等級:2級。
◆ 安裝形式:采用TH35-7型鋼安裝軌安裝。
◆ 安裝條件:安裝場所的外磁場任何方向均不應超過地磁場的5倍;剩余電流動作斷路器一般應垂直安裝,手柄向上為接通電源位置;安裝處應無顯著沖擊和震動。
◆ 接線方法:用螺釘壓緊接線。
五、主要參數及技術性能
◆ 主要規格:◇ 額定電流(ln):
殼架等級電流32A為:6A、10A、16A、20A、25A、32A;
殼架等級電流50A為:6A、10A、16A、20A、25A、32A、40A、50A、63A
◇ 額定剩余動作電流l△n:0.03、0.05、0.1、0.3A
◇ 按極數和電流回路分為:
a.單極兩線剩余電流動作斷路器;
b.兩極剩余電流動作斷路器;
c.三極剩余電流動作斷路器;
d.三極四線剩余電流動作斷路器;
e.四極剩余電流動作斷路器;
◇ 按瞬時脫扣特性分:
C型(5~10)ln,D型(10~16)ln。
◆ 主要技術參數:
◇ 額定電壓Un(V):單極兩線、兩極為230V;三極、三極四線、四極為400V;
◇ 額定短路能力lcn(A):
4000(C6~C40);
3000(C50、C63、D6~D63);
◇ 額定剩余接通和分斷能力2000l△m(A);
◇ 額定剩余不動作電流l△no;0.5l△n;
| 額定電壓Ue(V) | 極數 | 殼架等級額定電流lnm(A) | 額定電流(A) | 額定漏電動作電流(mA) | 額定漏電不動作電流(mA) | 額定漏電分斷時間(s) | 過壓保護整定值(V) | 額定短路分斷能力lcn(A) |
| 230 | 1+N | 32 | 6、10、16、20、25、32 | 30 ; 50 | 15 ; 25 | ≤0.1 | 280±5% | 6000 |
| 2 | ||||||||
| 400 | 3 | |||||||
| 3+N | ||||||||
| 4 | ||||||||
| 230 | 1+N | 50 | 6、10、16、20、25、32、40、50、63 | 30 ; 50 | 15 ; 25 | 4500 | ||
| 2 | ||||||||
| 400 | 3 | |||||||
| 3+N | ||||||||
| 4 |
| 試驗電流 | 額定電壓 | 規定時間 | 預期結果 | 起始狀態 | 備注 |
| 1.13ln | 所有值 | t≥1h | 不脫扣 | 冷態 | 電流在5s內穩定地上升至規定值 |
| 1.45ln | 所有值 | t<1h | 脫扣 | 熱態 | |
| 2.55ln | 所有值 | 1<t<60s | 脫扣 | 冷態 | 閉合輔助開關接通電源 |
| 5ln | 所有值 | t≥0.1s | 不脫扣 | 冷態 | 閉合輔助開關接通電源 |
| 10ln | 所有值 | t<0.1s | 脫扣 | 冷態 | 閉合輔助開關接通電源 |
◇ 機械電氣壽命:
電氣壽命:6000次,COSφ=0.85~0.9;
機械壽命:2000次;ln≤25A 240次/h; ln>25A 120次/h;
◇ 絕緣耐沖擊電壓性能
各極連接在一起與中性極之間能承受峰值為6000V的沖擊電壓;
各極與中性極連接在一起和金屬支架之間能承受峰值為8000V的沖擊電壓。
◇ 剩余電流動作斷路器在峰值電流為200A沖擊電流和峰值電壓為2.5√ˉ2Un浪涌過電壓作用下,具有承受能力。并不引起誤動作。
◇ 接線螺釘扭矩不小于1.5N·m;
◆ 周圍空氣溫度:周圍空氣溫度最高溫度四十攝氏度最低溫度不低于負五攝氏度,二十四小時平均不超過正三十五攝氏度。
| 溫度℃ | -15 | -5 | 0 | 10 | 20 | 30 | 40 | 55 |
| 額定電流修正系數 | 1.19 | 1.15 | 1.13 | 1.06 | 1.05 | 1 | 0.96 | 0.89 |
| 額定電流ln(A) | 標稱銅導線截面積(mm2) |
| 10及以下 | 1.5 |
| 10~20 | 2.5 |
| 20~25 | 4 |
| 25~32 | 6 |
| 32~50 | 10 |
| 50~63 | 16 |
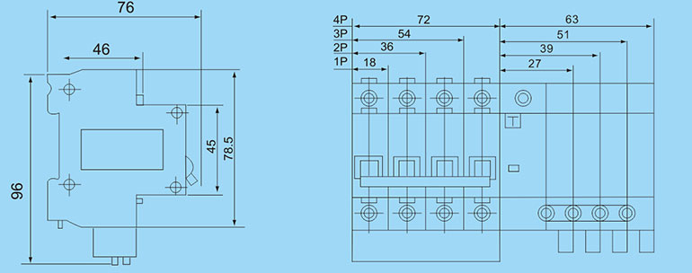
六、外形和安裝尺寸
DZ47LE-63

DZ47LE-50大殼系列

七、訂貨須知
訂貨時要標明下列各點:產品型號和名稱:如DZ47LE漏電斷路器/DZ47LE斷路器。
瞬時脫扣額定電流:如50A。
斷路器極數:如4P。
訂貨數量:如480只。
訂貨舉例:DZ47LE漏電斷路器,1P,6A,336只。
浙江泰西智能科技有限公司
















