聯系我們Contact Us

電 話 :0577-62711310
傳 真 :0577-62711377
郵 編 :325604
E-mail:13356192265@qq.com
|
產品簡介
一、適用范圍
DZ65-63(C65斷路器)高分斷小型斷路器具有結構先進、性能可靠、分斷能力高、外形美觀小巧等特點,殼體和三部件采用耐沖擊、高阻燃材料構成。適用于交流50Hz或60Hz,額定工作電壓400V及以下,額定電流為63A以下的場所。主要用于辦公樓、注重和類似的建筑物的照明、配電線路及設備的過載、短路保護,也可在正常情況下,作為線路不頻繁的轉換之用,該產品符合IEC60898和GB10963等標準的要求。二、型號及其規格

三、結構特征
DZ65系列斷路器(施耐德C65小型斷路器)擁有卓越的限流特性,其限流特性優于IEC60898標準規定的III級限 流要求,這意味著當發生短路時C65斷路器可將電纜和故障點的熱效應降至最低,這不僅提高了電氣系統的安全性,減小了故障對系統和設備的影響,而且也減小了短路對斷路器本身的影響,大大提高了斷路器的電氣壽命。四、分斷特性
斷路器的分斷能力是斷路器最主要、也是最重要的電氣指標,斷路器在極限分斷情況下的可靠性,關系到低壓系統、設備甚至人身的安全。同時,分斷的特性,也是判斷斷路器技術水平、制造工藝和產品質量的重要依據。但是,對于制造商而言,保證不同電流等級、不同極數、不同脫扣特性的小型斷路器均可可靠分斷極限短路電流絕非易事,對于高分斷能力 (如6kA 及以上) 的小型斷路器,更是對制造商的技術、材料和工藝提出了很高的要求。DZ65系列斷路器(施耐德C65斷路器)在快速分斷、滅弧技術等方面的改進不僅大大提高了DZ65系列斷路器(施耐德C65斷路器)的分斷能力,而且也增強了極限分斷情況下的安全可靠性。
五、結構特點
DZ65小型斷路器(C65小型斷路器)符合IEC60947-2/GB14048.2 標準中帶有隔離功能斷路器的補充安全規定,充分滿足對隔離電器的各項要求:□ 沖擊耐受電壓6kV
□ 手柄綠色條紋顯示觸頭處于切實分斷狀態
□ 斷開位置可鎖定
□ 良好的抗沖擊性能
■ 快速閉合技術
DZ65小型斷路器(C65小型斷路器)采用快速閉合設計,觸頭的閉合與操作者操作方式無關,這種設計將顯著降低操作時電弧對觸頭的影響,提高斷路器的電氣壽命。
當負載類型為電動機或變壓器等高沖擊性負載時,快速閉合技術使其效果和優勢更加明顯。
六、安裝接線
DZ65(c65斷路器)系列斷路器采用隧道式接線端子,這種方式易于使導線導入正確位置,壓接更加牢固,可有效減少由于連接不良引起的端子發熱和燒毀。DZ65小型斷路器(C65)系列斷路器端子截面積對于額定值1~32A斷路器為25mm2,40~63A斷路器可達25mm2,大于GB和IEC標準規定的參數,便于盤廠接線。
七、主要參數及技術性能
| 額定工作電壓(V) | 極數 | 額定電流(A) | 額定短路分斷能力(C) | |
| 試驗線路預期電流(A) | 功率因素 | |||
| 230 | 1,2 | 6,10,16,20,25,32,40 | 6000 | 0.65~-0.70 |
| 230/400 | 1,2 | 6000 | 0.65~-0.70 | |
| 400 | 2,3,4 | 6000 | 0.65~-0.70 | |
| 230 | 1,2 | 50,63 | 6000 | 0.75~-0.80 |
| 230/400 | 1,2 | 6000 | 0.75~-0.80 | |
| 400 | 2,3,4 | 6000 | 0.75~-0.80 | |
| 試驗電流(A) | 額定電壓(V) | 規定時間 | 預期結果 | 起始狀態 | 備注 |
| 1.13ln | 所有值 | t≥1h | 不脫扣 | 冷態 | |
| 1.45ln | 所有值 | t<1h | 脫扣 | 熱態 | 電流在5S內穩定上升至規定值 |
| 2.55ln | Ln≤32A | 1s<t<60s | 脫扣 | 冷態 | 閉合輔助開關接通電源 |
| 2.55ln | Ln≤32A | 1s<t<120s | 脫扣 | 冷態 | 閉合輔助開關接通電源 |
| 5ln(C型) | 所有值 | t≥0.1s | 不脫扣 | 冷態 | 閉合輔助開關接通電源 |
| 10ln(C型) | 所有值 | t<0.1s | 脫扣 | 冷態 | 閉合輔助開關接通電源 |
| 10ln(D型) | 所有值 | t≥0.1s | 不脫扣 | 冷態 | 閉合輔助開關接通電源 |
| 14ln(D型) | 所有值 | t<0.1s | 脫扣 | 冷態 | 閉合輔助開關接通電源 |
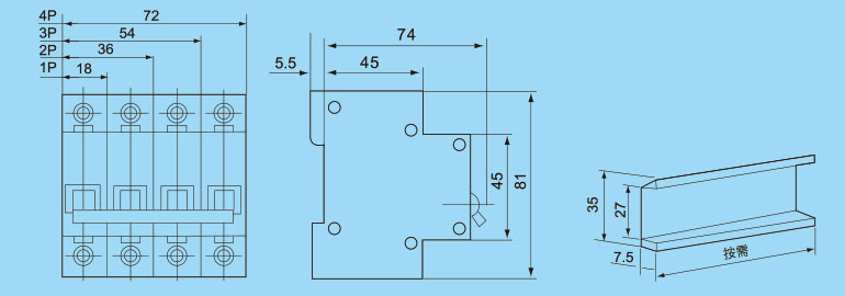
八、外形和安裝尺寸

九、訂貨須知
訂貨時要標明下列各點:產品型號和名稱:如DZ65-63小型斷路器/施耐德C65型斷路器。
瞬時脫扣額定電流:如10A。
斷路器極數:如3P。
訂貨數量:如250只。
訂貨舉例:DZ65-63小型斷路器,2P,32A,55只。
浙江泰西智能科技有限公司











